General
Applications
-it is used for regular room ventilation, cyclic dehumidifi cation, light control,circulating pumps, noon signs, etc.
Function Features
-2 time functions:
-Cycler beginning with pulse
-Cycler beginning with pause
-Function choice is done by an external jumper of terminals S-A1.
-Time scale 0.1s-100 days devided into 10 time ranges:
(0.1s-1s/1s-10s/0.1min-1min/1min-10 min/0.1 hrs-1h/1hrs-10 hrs/0.1 day-1 day /l day-10 days /3 days -30 days/10 days-100 days).
-Relay status is indicated by LED
-1-MODULE,DIN rail mounting.
Model and Connotation



Technical parameters | UEKT6-S1 | UEKT6-S2 |
Function | Asymmetric cycler time relay | |
Supply terminals | A1-A2 | |
Voltage range(W240) | AC/DC 12-240V(50-60Hz) | |
Burden(W240) | AC 0.09-3VA/DC 0.05-1.7W | |
Voltage range(A230) | AC 230V(50-60Hz) | |
Power input(A230) | AC max.6VA/1.3W | AC max.6VA/1.9W |
Supply voltage tolerance | -15%;+10% | |
Supply indication | greenLED | |
Time ranges | 0.1s-10days,ON,OFF | |
Time setting | potentionmeter | |
Time deviation | 10%-mechanical setting | |
Repeat accuracy | 0.2%-set value stability | |
Temperature coecient | 0.05%/c,at=20°C(0.05%F,at=68°F) | |
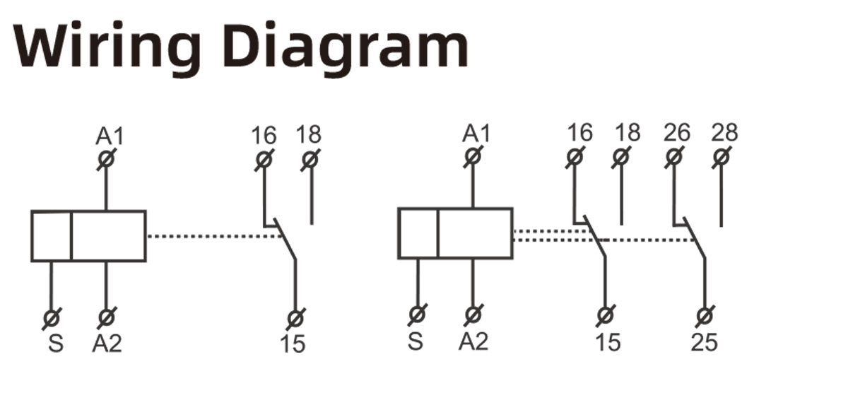
Output | 1xSPDT | 2xSPDT |
Current rating | 16A/AC1 | |
Switching voltage | 250VAC/24VDC | |
Min.breaking capacity DC | 500mW | |
Outout indication | red LED | |
Mechanical life | 1x107 | |
Electrical life(AC1) | 1x105 | |
Reset time | max.200ms | |
Operating temperature | -20℃to +55'℃(-4F to 131℉) | |
Storage temperature | -35'Cto +75℃℃(-22'F to 158℉) | |
Mounting/DIN rail | Din rail EN/IEC 60715 | |
Protection degree | IP40 for front panel/lP20 terminals | |
Operating position | any | |
Overvoltage cathegory | Ⅲ. | |
Pollution degree | 2 | |
Max.cable size(mm2) | solid wire max.1x2.5or2x1.5/with sleeve max.1x2.5(AWG 12) | |
Tightening torque | 0.4Nm | |
Dimensions | 90x18x70mm | |
Weight | W240-61g.A230-61g | W240-81g,A230-80g |
Standards | EN 61812-1,IEC60947-5-1 | |






