General
Applications
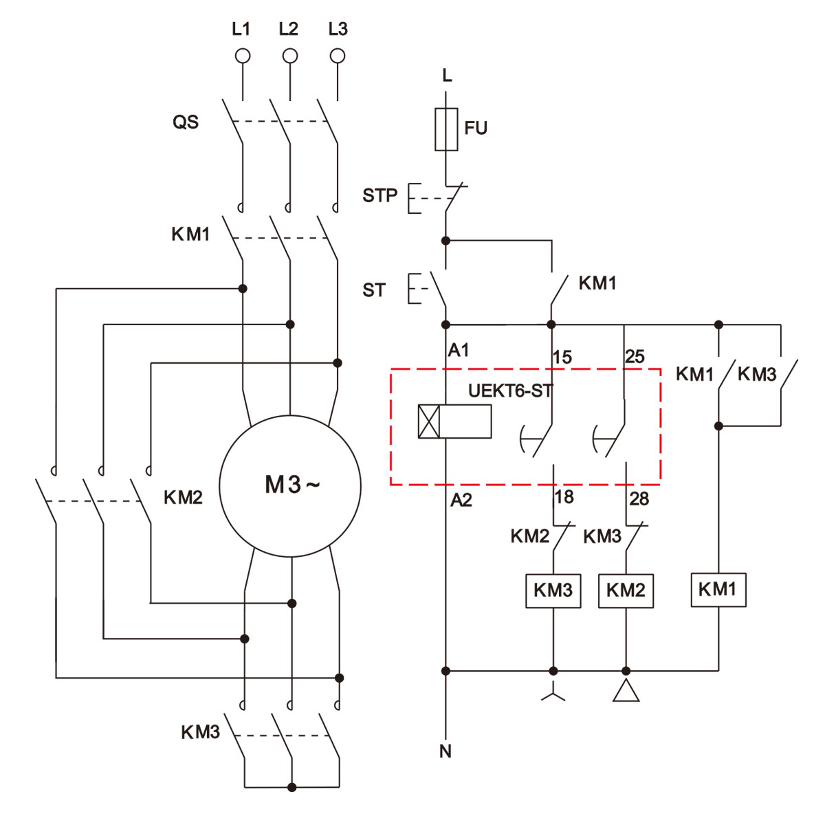
-Designated for delay ON of motors star/delta.
Function Features
-Time tl (star) :
time scale 0.1 s-10min devided into 4 time rangesrough time setting by rotary switch.
-Time t2 (delay) :
time scale 0.1s-1 stime setting by potentiometer
-Relay status is indicated by LED.
-1-MODULE,DIN rail mounting.
Model and Connotation



Technical parameters | UEKT6-ST |
Function | Delay ON star/delta |
Supply terminals | A1-A2 |
Voltage range(W240) | AC/DC 12-240V(50-60Hz) |
Burden(W240) | AC 0.09-3VA/DC 0.05-1.7W |
Voltage range(A230) | AC 230V(50-60Hz) |
Power input(A230) | AC max.6VA/1.9W |
Supply voltage tolerance | -15%;+10% |
Supply indication | greenLED |
Time ranges | 0.1s-10days,ON,OFF |
Time setting | potentionmeter |
Time deviation | 10%-mechanical setting |
Repeat accuracy | 0.2%-set value stability |
Temperature coecient | 0.05%/c,at=20°C(0.05%F,at=68°F) |
Output | 2xSPDT |
Current rating | 16A/AC1 |
Switching voltage | 250VAC/24VDC |
Min.breaking capacity DC | 500mW |
Outout indication | red LED |
Mechanical life | 1x107 |
Electrical life(AC1) | 1x105 |
Reset time | max.200ms |
Operating temperature | -20℃to +55'℃(-4F to 131℉) |
Storage temperature | -35'Cto +75℃℃(-22'F to 158℉) |
Mounting/DIN rail | Din rail EN/IEC 60715 |
Protection degree | IP40 for front panel/lP20 terminals |
Operating position | any |
Overvoltage cathegory | Ⅲ. |
Pollution degree | 2 |
Max.cable size(mm2) | solid wire max.1x2.5or2x1.5/with sleeve max.1x2.5(AWG 12) |
Tightening torque | 0.4Nm |
Dimensions | 90x18x70mm |
Weight | W240-81g,A230-80g |
Standards | EN 61812-1,IEC60947-5-1 |







